mezzanine floor systems

Mezzanine Floor Systems

In addition to the extensive range of building shell products offered by voestalpine Metsec, we also offer a comprehensive range of mezzanine floor systems including a oversail system and an inset system to allow for the quick and easy erection of additional internal floor space. Steel mezzanine platform systems can be installed either as part of the initial construction of the building or as a subsequent addition when supplimentary space is required in an existing structure.

Mezzanine floors are a semi-permanent flooring system designed to make better use of available space in retail office or warehouse environments. Within warehousing, a mezzanine floor is often encorporated into initial designs to allow maximum floor space for effective production capability, with offices given optimum positioning on the mezzanine for oversight.

For more detailed data and information on our mezzanine flooring systems visit our downloads page.

Mezzanine Floor: Oversail System

Oversail Design without Cleats

The voestalpine Metsec oversail floor beam system, designed for use without cleats offers maximum economy. The direct connection of C-sections to primary members may reduce component and installation cost. The performance of C-section purlins used in this system is related to the length of C-section directly sitting on the main support beam, known as the bearing length, and should be a minimum of 65mm.

Oversail without cleat connection between C-section secondary beams coupled with a hot rolled primary beam

Oversail Design with Top Cleats

The voestalpine Metsec oversail floor beam system should be considered where there are no restrictions as to the finished height or depth of the mezzanine floor construction.

Oversail/top cleat connection between C-section secondary beams and hot rolled primary beam

Typical Overhang

For single and double span arrangements, the maximum allowable overhang should be limited to span/8 with cleats.


Mezzanine Floor: Inset System

Mezzanine floors that require the maximum use of available headroom should be designed using the voestalpine Metsec inset floor beam system.

In this system, C-sections are connected within the framework of primary members thus keeping the overall depth to a minimum.

Web cleat connection between C-section secondary beams and hot rolled primary beam


Which Mezzanine Platform System Do I Need?

  • Oversail system – For floors where no restrictions are given to the finished height of floor. The mezzanine joists oversail the primary members and sit directly onto the main support or via a cleat bolted to the web. This system offers maximum economy.
  • Inset system – For floors where maximum headroom is required. Mezzanine joists are inset between the primary members thus keeping the overall depth to a minimum.

Design Notes

The performance of the systems have been validated by a comprehensive test programme carried out by the Department of Mechanical Engineering at The University of Strathclyde.

Adequate torsional restraint is provided by 38mm minimum thickness flooring grade particle board.

This must be fixed to the top flange of the C-sections using appropriate self-drilling, self-tapping screws at a spacing not greater than 1150mm along the span.

Tie bars must be provided at mid span position as illustrated on Mezzanine Floor Tie Bars

All fixing bolts must be M16 diameter, grade 8.8 complete with washer under head and nut. Double span load capacities are based on the consideration of a uniformly distributed load on both spans or on one span only.

Note: the additional consideration of one span loaded is appropriate to this type of floor.

For more information download our Purlin Technical Manual.

Mezzanine Floor Details

Mezzanine Floor Tie Bars

Mezzanine Floor Tie Bars

Our rapid fix tie bar replaces threaded rod, nuts and washers, thereby greatly reducing installation time.

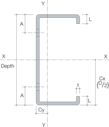
Mezzanine Floor Component Dimensions, Piercings And Properties

mezzanine floor cleats

Mezzanine Floor Cleats